Chapitres
La différentielle d’une fonction à une variable
Une petite histoire pour illustrer
Une voiture avance le long d’une route rectiligne, plein est (ce n’est pas choisi au hasard, c’est vers la droite sur une carte...). Elle arrive devant un panneau qui indique une pente de 5%. Le conducteur arrête son véhhicule, sort sa carte (très détaillée) et en déduit qu’au prochain carrefour situé à 100 m d’après sa carte, la voiture se sera élevée de 5m. Il sait bien aussi qu’il n’a aucun moyen de prévoir de combien la voiture se sera élevée en arrivant au prochain village à 10 km. Peu importe, l’indication de la pente à l’endroit où il se trouve lui suffit pour savoir qu’il a intérêt à bien serrer son frein à main pour ne pas repartir en arrière ! Avec une pente de 0 %, il n’y aurait pas besoin de frein à main...

Faisons un peu de maths
Soit une fonction f (c’est l’altitude) d’une variable réelle x (c’est la distance mesurée sur la carte). On sait que la pente de la tangente à la courbe en un point d’abscisse xo (c’est l’endroit où la voiture s’est arrêtée) est égale à la dérivée de la fonction f en xo. Cette tangente à la courbe en xo, c’est une droite d’équation y = a.x + b, c’est à dire la courbe d’une fonction affine. Pour simplifier, on change l’origine des axes, et on prend comme origine le point d’abscisse xo (l’endroit où la voiture s’est arrêtée). L’équation de la tangente devient Y = a.X avec Y = y - yo et X = x - xo . L’ordonnée à l’origine devient nulle puisque la courbe passe maintenant par la nouvelle origine. Cette droite est maintenant la courbe d’une fonction linéaire (passe par (o,o)) qui s’appelle la fonction linéaire tangente en xo, notée df. on a donc df (Y) = a.X c’est à dire df (x-xo) = f’(xo). (x-xo) traduction avec l’exemple de la voiture : si la pente était constante, l’élévation, quelle que soit la distance parcourue serait égale à ce déplacement fois la pente (proportionnalité). Faisons un peu de géométrie
Quel rapport avec la physique ?
En physique, les phénomènes étant parfois complexes, il est souvent suffisant d’étudier l’effet de petites perturbations sur une grandeur physique, et l’outil mathématique est plus simple pour l’étude de petites variations que l’étude d’une grandeur dans sa totalité.

En effet, pour une grandeur physique fonction d’un seul paramètre, le physicien approxime la variation de la grandeur physique pour une petite variation du paramètre à la variation de la fonction linéaire tangente. Autrement dit, localement on confond la courbe réelle et la tangente. c’est à dire f(x) - f(xo) = df(x-xo) d'ou f(x) - f(xo) ≈ df (x-xo) = f’(xo). (x-xo) que les physiciens notent df= (df/dx). dx
La différentielle d’une fonction à deux variables
Reprenons notre petite histoire Pendant que le conducteur regarde la carte, son fils sort de la voiture avec son ballon. Son père le met en garde de bien tenir son ballon qui pourrait rouler. Mais dans quelle direction irait ce ballon ? La pente de la route est certes importante, mais l’inclinaison de la route compte également (vous avez remarqué que les routes sont bombées pour permettre l’écoulement de l’eau de pluie). Le dénivelé de la route est donc fonction de deux variables, l’une est-ouest, l’autre nord-sud. Il faut tenir compte de deux pentes (deux dérivées partielles). La dénivellation quand on se déplace sur la route est une combinaison de deux déplacements selon deux pentes. Faisons un peu de math df(x-xo,x'-x'o) = (∂f/∂x)x'.(x-xo) + (∂f/∂x')x.(x'-x'o) Et la physique dans tout ça ? Bien entendu, pour de petites variation des variables, le physicien va approximer la fonction réelle f à son plan tangent, d’où : δf = (∂f/∂x)x'.δx + (∂f/∂x')x.δx'
Quelques exercices d'entraînement
Exercice 1
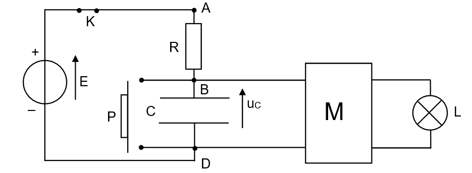
L'objet de cet exercice est d'étudier le principe de fonctionnement d'une minuterie permettant d'éteindre une lampe automatiquement au bout d'une durée t0 réglable.

Le montage du circuit électrique est constitué :
- D'un générateur idéal de tension, de force électromotrice E = 30 V ;
- D'un interrupteur K ;
- D'un conducteur ohmique de résistance R ;
- D'un condensateur de capacité C ;
- D'un bouton poussoir P qui joue le rôle d'un interrupteur: il est fermé seulement quand on appuie dessus ;
- D'un composant électronique M qui permet l'allumage de la lampe L tant que la tension aux bornes du condensateur est inférieure à une tension limite, caractéristique du composant, notée U (dans tout l'exercice on fixera U à une valeur constante égale à 20 V).
Le composant électronique M possède une alimentation électrique propre (non représentée sur le schéma) qui lui fournit l'énergie nécessaire à l'allumage de la lampe. De ce fait, on admettra que le composant électronique M ne perturbe pas le fonctionnement du circuit RC, c'est-à-dire que la tension aux bornes du condensateur est identique que M soit présent ou non dans le circuit. 
I - Étude du circuit RC
A l'instant initial (t = 0 s), le condensateur est déchargé. On ferme l'interrupteur K, le bouton poussoir P est relâché (voir schéma ci-dessus).
- On souhaite visualiser les variations de la tension uC aux bornes du condensateur en fonction du temps à l'aide d'un oscilloscope à mémoire.
Indiquer les branchements à réaliser (voie 1 et masse) sur le schéma du document 1 de l'annexe 1 à rendre avec la copie.
- Montrer que l'équation différentielle donnant les variations de la tension uC(t) aux bornes du condensateur en fonction du temps est de la forme :
- a) En vérifiant que la fonction du temps uc(t) = A (1 - e-t/t) est solution de l'équation différentielle précédente montrer que A = E et que t = RC.
- Quelle est la valeur de uC en régime permanent ?
- Quel est le nom donné à la constante t ?
A l'aide d'une analyse dimensionnelle, donner l'unité de la constante t.
- La représentation graphique de la fonction uC(t) est donnée dans le document 2 de l'annexe 1, à rendre avec la copie.
Faire apparaître sur ce graphe sans aucune justification :
- La tension E ;
- La constante t ;
- Les régimes permanent et transitoire.
- Calculer la valeur de la constante t pour R = 100 kW et C = 200 µF.
- a) Donner l'expression littérale de la date t0 à laquelle la tension aux bornes du condensateur atteint la valeur limite U en fonction de U , E et t. (t0 est la durée d'allumage de la lampe).
- b) Calculer la valeur de t0 et vérifier la validité du résultat à l'aide du graphe uC(t) fourni dans le document 2 de l'annexe 1 à rendre avec la copie.
- c) On a fixé Uà 20 V pour obtenir une durée d'allumage t0 voisine de t. Pour quelle raison choisir t0 très supérieur à t, n'aurait pas été judicieux pour un tel montage ?
- Quel(s) paramètre(s) du montage peut-on modifier sans changer le générateur afin d'augmenter la durée d'allumage de la lampe ?
- En fixant C = 200 µF quelle valeur doit-on donner à la résistance R pour obtenir une constante de temps d'une minute ?La comparer à U . Que se passe-t-il pour la lampe dans les cas suivants :On appuie sur le bouton poussoir. Que vaut la tension aux bornes du condensateur ?
- la lampe est déjà allumée ?
- la lampe est éteinte ?
II - Méthode d'Euler
On se propose maintenant de résoudre numériquement l'équation différentielle établie à la question I-2, R et C conservant les valeurs R = 100 kW et C = 200 µF .
- A partir de cette équation différentielle, donner la relation entre la dérivée
et la tension uC(t).
La méthode d'Euler permet de calculer successivement les valeurs de uC(t) et de
à un intervalle de temps régulier Dt appelé le pas. En prenant un pas suffisamment petit on peut écrire la relation :
Pour cette étude, on prend un pas égal à: Dt = 2 s.
- En utilisant l'expression littérale ci-dessus, compléter dans le tableau donné en annexe (document 3, annexe 1) les colonnes correspondant aux dates t = 2 s et t = 4 s.
- Le document 4 de l'annexe 2 représente un agrandissement de la courbe uC(t) du document 2. Tracer sur ce document à rendre avec la copie, la partie du graphe uC(t) correspondant à ce tableau. Que constatez-vous ?
- On peut améliorer la précision de la méthode d'Euler en modifiant la valeur du pas D Quelle modification pourrait-on apporter à la valeur du pas Dt ?
Quel serait l'inconvénient de cette modification ?
Annexe 1
Document 1

Document 2

Document 3
| t (s) | 0 | 2 | 4 | 6 | 8 | 10 | 12 | ... | 20 |
|---|---|---|---|---|---|---|---|---|---|
| uC (t) | 0 | 8,14 | 10,3 | 12,3 | 14,1 | ... | 19,6 | ||
| duC<\sub> (t) / dt | 1,5 | 1,09 | 0,99 | 0,89 | 0,80 | ... | 0,52 |
Exercice 2
Un groupe d'élèves musiciens souhaite réaliser un diapason électronique capable d'émettre des sons purs, en particulier la note la3 (note la du troisième octave). Cette note sert de référence aux musiciens pour accorder leurs instruments.

Un son pur est une onde acoustique sinusoïdale de fréquence donnée. Il peut être obtenu par excitation d'un haut-parleur à l'aide d'une tension électrique sinusoïdale de même fréquence. Le circuit électrique qui permet d'obtenir une tension sinusoïdale est constitué d'une bobine, d'un condensateur et d'une résistance (voir annexe 3). L'annexe est à rendre avec la copie. Les élèves vont réaliser les différentes étapes du circuit oscillant permettant d'émettre les sons de la gamme tempérée (gamme musicale élaborée par J.S. Bach et couramment utilisée en Occident). Ils étudieront :
- dans un premier temps, la charge du condensateur.
- dans un deuxième temps, l'établissement des oscillations électriques.
- dans un troisième temps, l'influence des paramètres du circuit leur permettant d'obtenir la note souhaitée.
| Note | do | ré | mi | fa | sol | la | si |
|---|---|---|---|---|---|---|---|
| Fréquence en Hz | 262 | 294 | 330 | 349 | 392 | 440 | 494 |
- Charge du condensateur
Le condensateur étant initialement déchargé, l'interrupteur K est basculé en position 1, à l'instant t = 0. Le sens positif de circulation du courant est indiqué sur le schéma de l'annexe 3. On visualise la charge du condensateur, à l'aide d'un oscilloscope à mémoire. 1.1. Représenter, sur le schéma de l'annexe 3, la tension u aux bornes du condensateur par une flèche correctement orientée, en respectant la convention récepteur. 1.2. Ajouter, sur le schéma précédent, les connexions à l'oscilloscope permettant de visualiser à la fois :
- sur la voie 1 : la tension E positive, aux bornes du générateur.
- sur la voie 2 : la tension u, en convention récepteur, aux bornes du condensateur.
- Soient A et B, les armatures du condensateur. Donner la relation entre la charge qA de l'armature A, l'intensité i et le temps t.
- Donner la relation entre la charge qA , la tension u et la capacité C.
- En vous aidant des réponses aux questions 1.3 et 1.4 et en appliquant la loi d'additivité des tensions, établir l'équation différentielle régissant l'évolution de la tension u aux bornes du condensateur, lors de sa charge.
- Vérifier que la solution suivante : est solution de l'équation différentielle établie précédemment.
1.7. Constante de temps t
- Rappeler l'expression de la constante de temps t de ce circuit, en fonction de R et de C.
- Vérifier que la constante t est homogène à une durée, en utilisant l'équation différentielle précédemment établie ou sa solution présentée à la question 1.6.
- Déterminer graphiquement la valeur de t sur l'annexe 4 (à rendre avec la copie), en justifiant la méthode employée.
- Au bout de combien de temps, exprimé en fonction de t , considère-t-on le condensateur totalement chargé ?
- Réalisation d'oscillations électriques
Le condensateur C est à présent chargé sous la tension E du générateur ; on bascule l'interrupteur K en position 2. Cet instant est choisi comme nouvelle origine des temps.
- La tension u aux bornes du condensateur évolue en fonction du temps de la manière présentée en annexe 5.
- Les oscillations électriques observées sont amorties. Quel est le dipôle responsable de cet amortissement ?
- Qualifier ce régime d'oscillations par un terme approprié.
- Sur la courbe u = f(t) présentée en annexe 5, sont notés deux points C et D. Comment appelle-t-on la durée écoulée entre ces deux points ? Évaluer graphiquement cette valeur.
- Les élèves pensent que le circuit ainsi réalisé n'est pas utilisable. Indiquer la raison qui leur permet de faire cette constatation.
- Entretien des oscillations
En feuilletant leur manuel de physique, les élèves constatent qu'il est possible de rajouter au circuit précédent, un dispositif qui entretient les oscillations.
- Expliquer, en une phrase, le rôle de ce dispositif, d'un point de vue énergétique.
- Sachant que les paramètres du circuit précédent n'ont pas été modifiés, représenter, sur l'annexe 6 (à rendre avec la copie), la courbe u = f(t) obtenue après entretien des oscillations.
- Rappeler l'expression de la période propre T0 du circuit oscillant. Calculer sa valeur, sachant que le condensateur a une capacité C = 1,0 µF et que l'inductance L de la bobine vaut ici 0,100 H.
- En déduire la fréquence f0 de la tension obtenue.
- Le circuit oscillant est relié à un haut-parleur convertissant cette onde électrique en onde sonore de fréquence f0. Les élèves souhaitent accorder leurs instruments en émettant la note la3 à l'aide du circuit précédent.
- La fréquence précédemment obtenue est-elle un son de l'octave 3 de la gamme ?
- Quels paramètres peut-on changer pour modifier la valeur de la fréquence émise ?
- Sachant que les élèves ne disposent pas d'autre condensateur que celui du circuit initial, calculer la valeur de l'autre paramètre qui permettra d'obtenir la note la3 .
- On règle à présent ce paramètre sur 232 mH ; déterminer la nature de la note alors émise par le diapason.
Annexes à rendre


Résumer avec l'IA :



















Si vous désirez une aide personnalisée, contactez dès maintenant l’un de nos professeurs !
ça change de l’approche mathématique pure et dure ! Au moins c’est concrêt.
Voila une approche concrète de la notion de différentielle. Bravo