Chapitres
- 01. Phénomènes de propagation unidimensionnels non dispersifs
- 02. Ondes transversales sur une corde tendue
- 03. Ondes sonores longitudinales dans une tige
- 04. Ondes sonores dans les fluides
- 05. Ondes électromagnétiques dans le vide
- 06. Phénomènes linéaires de propagation unidimensionnels dispersifs
- 07. Ondes électromagnétiques dans un DHLI
- 08. Exercice : Propagation d'une onde le long d'une corde
- 09. Exercice : Les oscillateurs mécaniques
- 10. Exercice : Le marégraphe numérique
- 11. Exercice : L'oscillateur harmonique
Phénomènes de propagation unidimensionnels non dispersifs
Ondes transversales sur une corde tendue
- Modèle :
- Corde tendue horizontale, donc on néglige le poids devant la tension de la corde. Ordre de grandeur de la tension : 800 N pour une corde de piano (on dit que la corde "a une tension de 80 Kg"), 50 N ("tension de 5 Kg") pour une corde de guitare. À comparer à la masse linéique d'une corde, de l'ordre de 1 à quelques dizaines de gramme par mètre.
- Déplacements transversaux de faible amplitude (de l'ordre du mm).
- Mise en équation : équations couplées en {vitesse, tension}.
- Découplage des équations -> Même équation d'onde scalaire 1D (équation de d'Alembert) vérifiée par
- la composante transversale de la vitesse,
- la composante transversale de la tension,
- le déplacement transversal de la corde.

Ondes sonores longitudinales dans une tige
Position du problème
- Un son peut se propager dans un solide : transmission d'un son à travers un mur, propagation de vibrations le long d'un rail de chemin de fer ...
- Modèle 1D : la tige "solide".
Modèle de la chaîne infinie d'oscillateurs harmoniques
- Modèle linéique discret.
- Approximation acoustique : passage d'un modèle discret à un modèle continu.
- Mise en équation : équations couplées en {vitesse, tension}.
- Découplage des équations -> Même équation d'onde scalaire 1D (équation de d'Alembert) vérifiée par
- la composante longitudinale de la vitesse,
- la composante longitudinale de la tension,
- le déplacement longitudinal de la tige.
Modèle du solide déformable
- Le module d'Young caractérise l'élasticité longitudinale d'une tige : Le module d'Young d'une tige est la raideur par unité de longueur de tige et unité de section de la tige.
- Relation entre contrainte et allongement relatif.
- Mise en équation : équations couplées en {vitesse, force}.
- Découplage des équations -> Même équation d'onde scalaire 1D (équation de d'Alembert) vérifiée par
- la composante longitudinale de la vitesse,
- la composante longitudinale de la force,
- le déplacement longitudinal de la tige.
Familles de solutions de l'équation d'onde scalaire 1D
Forme générale de l'équation de d'Alembert
- On retient la présence d'une dérivée seconde par rapport au temps. En effet, le changement de variable t -> -t ne change pas l'équation d'onde, ce qui traduit la réversibilité du phénomène décrit par l'équation d'onde. (A l'inverse, l'équation de diffusion qui est étudiée dans un autre chapitre décrit un phénomène irréversible. Cette équation ne fait apparaître qu'une dérivée simple par rapport au temps).
- On retient la forme canonique de l'équation qui fait intervenir une constante c homogène à une vitesse. c doit toujours être déterminée par une analyse dimensionnelle de l'équation.
Superposition de solutions
- L'équation d'onde est linéaire. On peut donc appliquer le principe de superposition.
- On pourra donc utiliser le principe de décomposition de Fourier et de recomposition des solutions.
Recherche de la solution générale sous la forme d'une superposition d'ondes progressives
- La solution générale de l'équation d'onde peut s'écrire sous la forme d'une superposition d'une fonction de la variable (x-ct) et d'une fonction de la variable (x+ct).
- Mathématiquement, la fonction f(x-ct) est la translatée de la fonction f(x) de +ct vers la droite. Physiquement, f(x-ct) est donc la fonction f(x, t=0) qui se translate selon les x croissants à la vitesse c.
- La solution générale de l'équation d'onde peut donc s'écrire sous la forme d'une superposition d'une onde progressive se propageant à la vitesse c selon les x croissants, et d'une onde progressive se propageant à la vitesse c selon les x décroissants.
Attention, la superposition de ces deux ondes progressives n'est pas forcément progressive.
- Retour aux exemples : la vitesse de propagation (ou célérité) est d'autant plus élevée que le milieu est rigide, d'autant plus faible que l'inertie est grande.
Etude du cas particulier de l'onde progressive sinusoïdale (ou harmonique)
- Les principes de superposition et de décomposition de Fourier, ainsi que la recherche de solutions de l'équaion d'onde sous forme d'onde progressive, justifient cette étude.
- Les ondes progressives sinusoïdales ont une double périodicité :
- En vision spatiale, on décrit les variations spatiales, à différents instants. La variable est x, t est un paramètre. La périodicité spatiale est la longueur d'onde.
- En vision temporelle, on décrit les variations temporelles, en différents points. La variable est t, x est un paramètre. La périodicité est T.
- Relation entre longueur d'onde et période : λ = c.T
- Relation entre pulsation et pulsation spatiale (module du vecteur d'onde) : ω = k.c
- Retour à l'approximation acoustique : les ondes sonores audibles ont des fréquences comprises entre 20 Hz et 20 000 Hz, la vitesse de propagation dans l'acier est de l'ordre de 5000 m.s-1, la longueur d'onde est donc comprise entre 0,25 m et 250 m. La longueur d'onde est donc bien très supérieure à la distance interatomique.
- Expression d'une onde progressive sinusoïdale se propageant suivant les x croissants :
s(x,t) = S.cos ( ωt - k.x + φ) pour une vision temporelle,
ou s(x,t) = S.cos ( k.x - ωt + φ') pour une vision spatiale.
- Expression d'une onde progressive sinusoïdale se propageant suivant les x décroissants :
s(x,t) = S.cos ( ωt + k.x + φ) pour une vision temporelle,
ou s(x,t) = S.cos ( k.x + ωt + φ') pour une vision spatiale.
- L'utilisation de la notation complexe permet de simplifier les calculs de dérivées partielles.
Recherche de la solution générale sous la forme d'une superposition d'ondes stationnaires
- On cherche la solution sous la forme d'ondes stationnaires, c'est à dire s(x,t) = f(x).g(t)
- Astuce de calcul : on isole dans un membre de l'équation d'onde les fonctions de x, et dans l'autre membre les fonctions de t. Un terme qui ne dépend pas de t étant égal à un terme qui ne dépend pas de x, les deux termes sont donc constants.
- Les solutions ne pouvant diverger dans le temps, la solution est forcément sinusoïdale, en t donc en x.
- On admet que la solution générale de l'équation d'onde peut s'écrire sous la forme d'une superposition d'ondes stationnaires.
Attention, la superposition d'ondes stationnaires n'est pas forcément stationnaire.
Etude du cas particulier de l'onde stationnaire sinusoïdale (ou harmonique)
- La recherche de solutions de l'équation d'onde sous forme d'ondes stationnaires justifie cette étude.
- Vision spatiale de l'onde stationnaire sinusoïdale s(x,t) = S.cos ( ωt + φ) . cos ( k.x + φ') [doc]
- La fonction spatiale cos ( k.x + φ') a une amplitude S.cos ( ωt + φ) variable au cours du temps. L'onde possède donc des nœuds et des ventres de vibration fixes.
- La période spatiale de l'onde est λ = 2π/k
- La distance entre deux nœuds successifs est λ/2.
- La distance entre deux ventres successifs est λ/2.
- Vision temporelle de l'onde stationnaire sinusoïdale s(x,t) = S.cos ( ωt + φ) . cos ( k.x + φ')
- La fonction temporelle cos ( ωt + φ) a une amplitude S.cos ( k.x + φ') variable dans l'espace. Pour les nœuds, la vibration est nulle au cours du temps, pour les ventres, la vibration a une amplitude maximale.
- La période temporelle de l'onde est T = 2π/ω
- Pour deux ventres successifs, les vibrations sont en opposition de phase.
Applications
Oscillations libres d'une corde fixée à ses extrémités
- Les oscillations sont provoquées par des conditions particulières :
- Corde lâchée (clavecin, guitare ou pizzicato pour un violon) : Déformation initiale de la corde et vitesse initiale nulle en tout point.
- Corde frappée (piano) : corde non déformée initialement et vitesse imposée en un point.
- Approche qualitative :
- La corde étant fixée à ses extrémités, on recherche la solution sous forme de superposition d'ondes stationnaires ayant des nœuds qui correspondent aux extrémités fixes. Ces ondes stationnaires sont appelées modes propres de la corde.
- Le mode fondamental est une onde stationnaire telle que la demi longueur d'onde est égale à la longueur de la corde.
- La première harmonique est une onde stationnaire telle que la longueur d'onde est égale à la longueur de la corde.
- La deuxième harmonique est une onde stationnaire telle que la longueur de la corde est égale à 3 demi-longueur d'onde.
- Résolution mathématique :
- On cherche la solution sous la forme d'onde stationnaire.
- Les conditions limites aux extrémités de la corde imposent des valeurs particulières pour k donc pour la pulsation : on retrouve les modes propres.
- Détermination des constantes d'intégration à partir des conditions initiales de position et vitesse de la corde. Astuce : On décompose en série de Fourier (de variable x) les conditions initiales.
Oscillations forcées d'une corde fixée à l'une de ses extrémités : La corde de Melde
- On peut obtenir des oscillations forcées d'une corde à l'aide d'un archet par exemple (instruments à corde frottée tels que le violon)
- Dans le cas de la corde de Melde, les oscillations forcées sont obtenues en faisant vibrer une extrémité de la corde sinusoidalement.
- Résolution mathématique :
- On admet que la solution générale est la superposition d'un régime transitoire qui tend vers 0 et d'un régime forcé à la pulsation ω, pulsation de l'excitation de l'extrémité de la corde.
- On recherche la solution forcée sous la forme d'une onde stationnaire sinusoïdale à la pulsation ω.
- Les conditions limites permettent de déterminer cette onde stationnaire.
- Comme pour tout oscillateur non amorti, on a des pulsations de résonance pour les pulsations propres de la corde ( pulsations des modes propres de la corde).
Prêt pour un cour de physique chimie ?
Ondes sonores dans les fluides
Mise en équation des ondes sonores dans l'approximation acoustique
- Modèle :
- fluide au repos, pesanteur négligée.
- petites perturbations en vitesse, pression, masse volumique, de valeur moyenne nulle.
- écoulement parfait.
- Mise en équation dans l'approximation acoustique :
- équation d'Euler, équation de conservation de la masse et équation thermodynamique.
- équations couplées en {vitesse, surpression}.
- Découplage des équations ->
- équation d'onde scalaire 3D vérifiée par la surpression,
- équation d'onde vectorielle 3D vérifiée par la vitesse.
- Mise en équation simplifiée dans le cas unidimensionnel.
- Ordres de grandeur de la vitesse de propagation (célérité) :
- c = 1400 m.s-1 pour l'eau
- c = 340 m.s-1 pour l'air (vitesse du son) à T = 293 K
- Interprétation pour l'air avec un modèle du gaz parfait en évolution isentropique.

Recherche des solutions de l'équation d'onde scalaire 3D
Ondes sphériques (solutions particulières)
- On cherche les solutions sous la forme s(M,t) = s(r,t) en coordonnées sphériques. A chaque instant, les surfaces s = cte sont des sphères : l'onde est sphérique.
- La fonction r.s(r,t) vérifie alors l'équation d'onde 1D. s(r,t) est donc la superposition d'une onde sphérique divergente et d'une onde sphérique convergente.
Ondes planes (solutions particulières)
- On cherche les solutions sous la forme s(M,t) = s(x,t) en coordonnées cartésiennes. A chaque instant, les surfaces s = cte sont des plans : l'onde est plane.
- La fonction s(x,t) vérifie alors l'équation d'onde 1D. s(x,t) est donc la superposition d'une onde plane progressive se propageant suivant les x croissants, et d'une onde plane progressive se propageant suivant les x décroissants.
- Notation intrinsèque : on écrit x = OM.u ; u étant le vecteur unitaire de propagation. La notation OM.u-ct permet d'éviter l'usage des notations x+ct et x-ct selon le sens de propagation.
Ondes planes progressives harmoniques (OPPH)
Notations
- Pour une grandeur scalaire, avec ω = k.c :
s(x,t) = S.cos ( k.x - ωt + φ) pour une propagation suivant les x croissants,
s(x,t) = S.cos ( k.x + ωt + φ') pour une propagation suivant les x décroissants,
s(M,t) = S.cos ( k.OM - ωt + φ) en notation intrinsèque, quel que soit le sens de propagation.
- Pour une grandeur vectorielle en notation intrinsèque :
sx(M,t) = S.cos ( k.OM - ωt + φx)
sy(M,t) = S.cos ( k.OM - ωt + φy)
sz(M,t) = S.cos ( k.OM - ωt + φz)
- Utilisation des complexes :
- Notation : s(M,t) = S. ej( k.OM - ωt ) ou s(M,t) = S. ej( ωt - k.OM )
- Simplification des dérivées partielles.
Structure spatiale de l'onde sonore
- L'onde sonore est longitudinale.
Impédance acoustique
- Les deux grandeurs qui se propagent {surpression, composante de la vitesse sur la direction de propagation} ne sont pas indépendantes. Leur rapport est p/v est l'impédance acoustique.
- L'impédance acoustique est réelle, indépendante de la pulsation de l'onde, et caractéristique du milieu de propagation.
Aspect énergétique
Puissance échangée à travers une surface
- On définit le vecteur densité de courant énergétique Π = pv, produit des deux grandeurs qui se propagent.
- La puissance transmise à travers une surface est égale au flux du vecteur Π à travers cette surface.
Equation locale de conservation de l'énergie
- L'équation s'obtient à partir des deux équations couplées en {vitesse, surpression}.
Intensité sonore
- La perception auditive est liée à la puissance mécanique moyenne reçue par le tympan.
- La perception auditive est logarithmique. On définit l'intensité sonore en dB.
- Ordres de grandeur : murmure 30 dB, réfrigérateur 45 dB, aspirateur très silencieux 70 dB, seuil des lésions auditives 85dB, écouteurs mp3 90 à 100 dB, boite de nuit 120 dB, seuil de la douleur 120 dB, près d'un marteau piqueur 130 dB.
Réflexion / transmission d'une OPP sur une interface plane en incidence normale.
Position du problème
- L'onde incidente est le couple surpression/vitesse { pi(x-ct); vi(x-ct) }. Ces deux grandeurs qui se propagent ne sont pas indépendantes, leur rapport est l'impédance du milieu 1.
- L'onde transmise est le couple surpression/vitesse { pt(x-ct); vt(x-ct) }. Ces deux grandeurs qui se propagent ne sont pas indépendantes, leur rapport est l'impédance du milieu 2.
- Relation de passage entre les milieux 1 et 2 :
- Continuité de la vitesse (contact entre les deux fluides).
- Continuité de la pression donc de la surpression (par application du PFD à la surface de séparation de 2 milieux de masse nulle, ou par principe de l'action et la réaction).
- Si les milieux 1 et 2 ont des impédances différentes, il est évident que les relations de passage ne peuvent être vérifiées uniquement par l'onde incidente et l'onde transmise. Il apparaît donc une onde réfléchie.
- Le calcul qui suit vise à déterminer les ondes réfléchie et transmise en fonction de l'onde incidente.
Coefficients de réflexion-transmission de la surpression et de la vitesse
- La démonstration peut se faire en notation réelle ou en notation complexe.
- La démonstration repose sur les relations de passage et le lien entre surpression et vitesse pour les ondes incidente, transmise et réfléchie.
- Calcul des coefficients de réflexion et transmission de la vitesse : on a bien t = 1 et r = 0 dans le cas particulier où les impédances des deux milieux sont identiques.
- Calcul des coefficients de réflexion et transmission de la surpression : on a bien t' = 1 et r' = 0 dans le cas particulier où les impédances des deux milieux sont identiques.
- Attention : on n'a pas r + t = 1 dans le cas général.
- Le vecteur densité de courant énergétique Π = pv faisant intervenir le produit de deux fonctions sinusoïdales du temps, on utilise la notation réelle.
- Calcul du coefficient de réflexion de la puissance : on a bien R = 0 dans le cas particulier où les impédances des deux milieux sont identiques.
- Calcul du coefficient de transmission de la puissance : on a bien T = 1 dans le cas particulier où les impédances des deux milieux sont identiques.
- On vérifie que R + T = 1. En effet cette relation découle de la conservation de l'énergie.
Ondes électromagnétiques dans le vide
Equations de propagation
- On étudie la propagation des champs électrique et magnétique dans le vide, en dehors des charges et courants.
- Les champs vérifient l'équation d'onde vectorielle 3D.

Cas particulier des OEMPPH
Notation
- On utilise les résultats vus pour la vitesse dans les ondes sonores
- Notation complexe : s(M,t) = S. ej( k.OM - ωt ) ou s(M,t) = S. ej( ωt - k.OM ) avec ω = k.c
Structure spatiale de l'onde
- La structure spatiale de l'onde se déduit de l'application des équations de Maxwell au cas particulier de l'OEMPPH.
- L'onde électromagnétique est transversale (transverse électrique et transverse magnétique)
- A chaque instant (u, E, B) forme une base directe et B = E / c
- Cette structure s'étend aux ondes planes progressives de forme quelconque grâce à l'analyse de Fourier.
Etats de polarisation
- La polarisation d'une onde est aisée à comprendre en vision temporelle, en observant l'onde qui progresse vers soi.
- Les 2 composantes du champ électrique dans le plan d'onde étant sinusoïdales de même fréquence et déphasées, l'extrémité du champ électrique décrit un courbe de Lissajoux (ellipse, cercle ou segment de droite).
- Si la courbe décrite est un segment de droite, l'onde est dite polarisée rectilignement,
- Si la courbe décrite est un cercle, l'onde est dite polarisée circulairement,
- Si la courbe est une ellipse, l'onde est dite polarisée elliptiquement,
- Le sens de parcours du cercle ou de l'ellipse définit la polarisation droite ou gauche.
- Il est inutile de retenir par cœur le lien entre amplitudes/phases et états de polarisation, une analyse graphique au cas par cas est largement suffisante.
Application : Réflexion sous incidence normale d'une OEMPPH sur un plan conducteur parfait
Position du problème
- L'onde incidente est le couple champ électrique / champ magnétique { Ei(x-ct); Bi(x-ct) }.
- Relation de passage entre le vide et le métal parfait :
- Continuité de la composante tangentielle du champ électrique.
- L'onde incidente est transversale donc le champ électrique incident n'a qu'une composante tangentielle au métal.
- Le champ électrique étant nul dans le conducteur parfait (voir cours d'électromagnétisme), la relation de passage ne peut être vérifiée. Il apparaît donc une onde réfléchie.
- On admet que l'onde se réfléchit selon la loi de Descartes, c'est à dire perpendiculairement au métal. Le calcul qui suit vise à déterminer l'onde réfléchie en fonction de l'onde incidente.
Coefficient de réflexion du champ électrique
- La démonstration repose sur la relation de passage du champ électrique, la transversalité des ondes incidente et réfléchie, et le fait que le champ électrique est nul dans un conducteur parfait.
- Le coefficient de réflexion du champ électrique est donc r = -1
- Lien avec l'optique ondulatoire : r < 0 donc il apparaît un déphasage de π lors de la réflexion, soit un chemin optique supplémentaire d'une demi-longueur d'onde en sinusoïdal.
- Si l'onde incidente est polarisée circulairement droite, l'onde réfléchie est polarisée circulairement gauche (évident).
Onde résultant de la superposition d'une onde incidente polarisée rectilignement et de l'onde réfléchie.
- Si l'onde incidente est polarisée rectilignement, l'onde réfléchie est polarisée rectilignement (évident). L'onde résultante est stationnaire. C'est un exemple de superposition de deux ondes progressives qui donne une onde stationnaire.
Rayonnement du dipôle oscillant
Position du problème
- Nous avons évoqué des solutions de l'équation d'onde sous forme d'ondes sphériques ou planes, sans nous préoccuper des sources susceptibles d'engendrer de telles ondes. Le modèle du dipôle oscillant permet de faire le lien entre la source et l'onde sphérique qu'elle crée.
- Modèle du dipôle oscillant : charge négative -q immobile en O, charge positive +q oscillant selon Oz autour de la charge négative. On a donc un dipôle électrique dont le moment garde une direction fixe, mais qui varie sinusoïdalement au cours du temps.
- Intérêt de ce modèle : permet de modéliser le phénomène d'émission de lumière par un atome, ou d'émission d'une onde électromagnétique par une antenne.
- Approximations :
- Soit a l'extension spatiale du dipôle, on suppose que r >> a pour se placer dans l'approximation dipôlaire.
- Soit T la période d'oscillation du dipôle, on suppose que cT ( = λ) >> a , c'est à dire que la période est suffisamment grande pour que le retard de propagation puisse être calculé comme si la charge était toujours en O. Cela revient à considérer la charge non relativiste.
- On se place dans la zone dite de rayonnement, c'est à dire r >> λ. En effet, on a vu que pour r << λ on se trouve dans l'ARQS donc on ne peut pas décrire le phénomène de propagation, et pour r >> λ on a une structure locale d'onde quasi-plane.
Champ rayonné
- On admet l'expression du champ rayonné en coordonnées sphériques.
- On retient :
- La dérivée seconde temporelle qui exprime le fait que le phénomène de rayonnement est lié à l'accélération d'une charge. En régime permanent (magnétostatique) il n'y a pas de rayonnement.
- La dépendance en t-r/c qui exprime la propagation selon les r croissants à la vitesse c (onde sphérique de centre O).
- La décroissance en 1/r qui justifie qu'à grande distance les champs statiques en 1/r2 et 1/r3 sont négligeables devant les champs rayonnés.
- La directivité du rayonnement : l'émission est maximale dans le plan horizontal, nulle dans la direction verticale.
- Les directions des champs électrique et magnétique conformes aux propriétés de symétries vis à vis des sources.
- La structure locale d'onde plane polarisée rectilignement.
Puissance rayonnée
- La puissance rayonnée à travers une surface sphérique de rayon R est indépendante de ce rayon.
- La puissance moyenne rayonnée est proportionnelle à ω4, c'est à dire à 1/ λ4.
Application à la diffusion Rayleigh.
- Interprétation de la couleur bleue du ciel, et de la couleur orangée du soleil couchant :
- Le spectre de la lumière provenant du soleil est compris entre ω = 2.1015 rad.s-1 et ω = 4.1015 rad.s-1
- Sous l'action du champ électromagnétique de la lumière, les molécules de l'atmosphère se polarisent (voir plus loin le modèle de l'électron élastiquement lié dans le paragraphe sur les diélectriques) et forment donc des dipôles oscillants à la même pulsation que l'onde incidente (oscillations forcées).
- La pulsation propre des molécules étant de l'ordre de 2.1016 rad.s-1, on est très en-deça du phénomène de résonance. Les molécules oscillent donc proportionnellement au champ électrique reçu pour toutes les pulsations, mais réémettent en 1/ λ4. La lumière diffusée est donc plus intense dans le bleu que le rouge, la lumière provenant directement du soleil est appauvrie en bleu donc apparaît rouge.
- Interprétation du caractère partiellement polarisé de la lumière diffusée par l'atmosphère :
- La lumière provenant du soleil n'est pas polarisée. Elle est la succession de trains d'ondes émis de façon aléatoire, de polarisations aléatoires. On peut donc la considérer comme la superposition de deux ondes polarisées rectilignement, émises par trains d'ondes de façon aléatoire.
- Les dipôles induits dans l'atmosphère peuvent donc être considérés comme la superposition de deux dipôles oscillants dans deux directions orthogonales.
- Pour une observation normale à la direction de la lumière provenant du soleil, la lumière diffusée est polarisée.
Phénomènes linéaires de propagation unidimensionnels dispersifs
Exemple d'une chaîne infinie de pendules couplés
- Modèle : pendules équidistants sur un fil de torsion, mouvements transversaux, frottement fluide.
- Passage d'un modèle discret à un modèle continu.
- Mise en équation : équations couplées en (angle, couple de torsion).
- Découplage des équations -> obtention d'une équation non linéaire en angle.
- Linéarisation pour de faibles amplitudes.
- Cas particulier où on néglige la pesanteur et les frottements : on retrouve l'équation d'onde 1D.
Recherche de solutions
Relation de dispersion
- L'équation étant linéaire, on recherche des solutions sinusoïdales forcées à la pulsation ω.
- La recherche de solutions sinusoïdales permet l'usage de la notation complexe.
- L'équation aux dérivées partielles donne la relation entre k et ω. Cette relation s'appelle "relation de dispersion".
- ω est toujours réel, k peut alors être complexe.
- Dans le cas où l'équation aux dérivées partielles se réduit à l'équation d'onde, la "relation de dispersion" redonne bien la relation ω = k.c
Absorption / Dispersion
- La partie imaginaire de k (notée k'') est liée à un phénomème d'amortissement (ou absorption) de l'onde progressive.
- La partie réelle de k (notée k') est liée au phénomène de propagation. La vitesse de propagation de l'onde (appelée vitesse de phase de l'onde) est vφ = ω / k'
- Si la vitesse de phase dépend de ω, on dit que le milieu est dispersif. En effet, si une onde non sinusoïdale se propage dans un tel milieu, chacune des composantes sinusoïdales de sa décomposition de Fourier avance à sa propre vitesse, ce qui se traduit par une déformation de l'onde lors de sa propagation.
- Un exemple bien connu de milieu dispersif dans le cas des ondes lumineuses est le verre : L'indice (qui est caractéristique de la vitesse de propagation) est fonction de la longueur d'onde (donc de ω ). Cela se traduit par le phénomème de dispersion de la lumière par un prisme en verre.
Paquet d'ondes
- On appelle paquet d'onde une onde progressive sinusoïdale de pulsation ωo d'extension finie et faible dans l'espace, donc dans le temps.
- En raisonnant dans le domaine spectral (décomposition de Fourier), le paquet d'onde est en fait un "paquet" d'ondes sinusoïdales de pulsations proches voisines de ωo.
- Dans le cas d'un milieu dispersif non absorbant, l'enveloppe du paquet d'onde avance à une vitesse différente de l'onde sinusoïdale contenue dans l'enveloppe.
- La sinusoïde dans l'enveloppe avance à la vitesse vφ = (ω / k)(ω=ωo)
- L'enveloppe avance à la vitesse vg = (dω / dk)(ω=ωo) appelée vitesse de groupe.
- On vérifie que dans dans un milieu non dispersif on a bien vg = vφ. En effet, dans un milieu non dispersif vφ = ω / k = Cte = C d'où vg = dω / dk = C = vφ
- Dans le cas d'un milieu dispersif absorbant (k complexe), il suffit de remplacer k par k' (partie réelle de k).
Ondes électromagnétiques dans un DHLI
Propriétés d'un diélectrique
Modèle microscopique
- Un diélectrique est un isolant. Exemple : l'air, le verre, le papier, les matières plastiques...
- Le diélectrique est à opposer au conducteur : diélectrique signifie "perméable au champ électrique", à l'opposé on a vu qu'un champ électrique ne peut pas pénétrer dans un conducteur parfait.
- Microscopiquement, les charges du diélectrique sont liées (électrons aux atomes, ions au réseau cristallin, molécules polarisées), à l'inverse des conducteurs qui possèdent des charges libres (de se déplacer sur tout le conducteur).
- Sous l'action d'un champ électrique, les charges microscopiques se décalent par rapport à leur position d'équilibre et font apparaître des dipôles microscopiques. Dans le cas de milieux polaires, les dipôles existants ont tendance à s'orienter selon le champ électrique. Ces mouvements localisés de charges microscopiques font apparaître des excédents locaux de charges dites liées (ou de polarisation)et les mouvements de ces charges font apparaître des courants dit liés (ou de polarisation).
Description macroscopique
- L'état de polarisation d'un diélectrique est déterminé par le champ Polarisation P(M,t), appelé vecteur polarisation. C'est la densité volumique de moment dipolaire.
- Les courants liés, en régime variable, ont une densité volumique jlié = dP/dt : vecteur densité de courant de polarisation. On a bien jlié = 0 dans le cas statique.
- Les excédents de charges ont une densité volumique ρlié = - divP
- Interprétation microscopique.
- Démonstration.
- En limite du diélectrique apparaissent des excédents de charges surfaciques de densité σlié dont on ne donnera pas l'expression. Il faut néanmoins en avoir conscience lors de l'écriture des relations de passage entre deux diélectriques.
- On admet que la description du diélectrique, autant en terme de champ créé que d'actions subies par la matière, peux se faire autant par le vecteur polarisation que par les charges liées. On utilise l'une ou l'autre des deux descriptions.
- Equations de Maxwell en présence de diélectriques.
- Cas général
- Cas des diélectriques linéaires homogènes er isotropes : susceptibilité et permittivité complexes
Susceptibilité et permittivité des milieux dilués en sinusoïdal forcé
- Modèle microscopique de l'électron élastiquement lié en milieu peu dense : l'électron est soumis
- à la force électrique dans le champ électrique moyen (on néglige la contribution de l'atome polarisé lui-même au champ électrique moyen),
- à une force dite de frottement fluide, proportionnelle à la vitesse (déjà introduite dans le modéle de Drude des conducteurs),
- à une force de rappel élastique qui traduit le fait que la charge est liée.
- La force magnétique est négligeable.
- Le comportement fréquentiel est celui d'un oscillateur faiblement amorti.
- Le modèle de l'électron élastiquement lié rend compte du phénomène de polarisation électronique. La pulsation de résonance est de l'ordre de 1015 rad.s-1 (domaine de l'optique)
Propagation d'une OEMPPH dans un DLHI
Structure de l'onde
- La structure spatiale de l'onde se déduit de l'application des équations de Maxwell au cas particulier de l'OEMPPH.
- L'onde électromagnétique est transversale (transverse électrique et transverse magnétique)
- A chaque instant (u, E, B) forme une base directe.
- Cette structure s'étend aux ondes planes progressives de forme quelconque grâce à l'analyse de Fourier.
Relation de dispersion
- On introduit l' indice complexe du milieu :
k = n ω / c et n2 = εr , c étant la vitesse de la lumière dans le vide (ε0μ0c2=1)
- Pour un DLHI absorbant :
- n et k ont donc des parties imaginaires (n'' ≠ 0 et k''≠0).
- Pour un DLHI transparent :
- εr est un réel positif,
- n et k sont donc des réels (k' ≠ 0 et k''=0),
- l'onde n'est donc pas absorbée
- vφ = ω / k = c / n est une fonction de la pulsation donc le milieu est dispersif.
- Retour sur le modèle de l'électron élastiquement lié.
Réflexion/réfraction d'une OEMPPH sur un dioptre séparant deux DLHI transparents: lois de Descartes
- Lois de Descartes de la réflexion
- Lois de descartes de la réfraction
Réflexion sous une incidence normale d'une OEMPPH sur un dioptre séparant deux DLHI transparents : coefficients de réflexion et transmission
Position du problème
- L'onde incidente est le couple champ électrique / champ magnétique { Ei(x-ct/n1); Bi(x-ct/n1) }.
- L'onde transmise est le couple champ électrique / champ magnétique { Et(x-ct/n2); Bt(x-ct/n2) }
- Relation de passage entre les milieux 1 et 2 :
- Continuité de la composante tangentielle du champ électrique.
- Continuité de la composante tangentielle du champ magnétique.
- L'onde incidente est transversale donc les champs électrique et magnétique incidents n'ont qu'une composante tangentielle au dioptre.
- Si les milieux 1 et 2 ont des indices différents, il est évident que les relations de passage ne peuvent être vérifiées uniquement par l'onde incidente et l'onde transmise. Il apparaît donc une onde réfléchie.
- Le calcul qui suit vise à déterminer les ondes réfléchie et transmise en fonction de l'onde incidente.
Coefficients de réflexion-transmission du champ électrique
- La démonstration repose sur les relations de passage du champ électrique et du champ magnétique, la transversalité des ondes incidente et réfléchie, et le lien entre champ électrique et champ magnétique d'une onde progressive dans chaque milieu.
- Calcul du coefficient de réflexion du champ électrique : on a bien r = 0 dans le cas particulier où les indices des deux milieux sont identiques.
- Calcul du coefficient de transmission du champ électrique : on a bien t = 1 dans le cas particulier où les indices des deux milieux sont identiques.
- Remarques :
- Lien avec l'optique ondulatoire : si l'onde incidente se réfléchit sur un milieu plus réfringeant, alors r < 0. Il apparaît donc un déphasage de π lors de la réflexion, soit un chemin optique supplémentaire d'une demi-longueur d'onde en sinusoïdal.
- Attention : on n'a pas r + t = 1 dans le cas général.
- Si les indices des milieux sont complexes, les coefficients de réflexion et transmission sont a priori complexes. Cela signifie qu'un déphasage apparaît à la réflexion ou la transmission.
Coefficients de réflexion-transmission de la puissance entre deux milieux transparents
- Les milieux 1 et 2 sont transparents donc leurs indices sont réels.
- On admet que le vecteur de Poynting dans un milieu diélectrique garde la même expression que dans le vide.
- Le vecteur de Poynting faisant intervenir le produit de deux fonctions sinusoïdales du temps, on utilise la notation réelle.
- Calcul du coefficient de réflexion de la puissance : on a bien R = 0 dans le cas particulier où les indices des deux milieux sont identiques.
- Calcul du coefficient de transmission de la puissance : on a bien T = 1 dans le cas particulier où les indices des deux milieux sont identiques.
- On vérifie que R + T = 1. En effet cette relation découle de la conservation de l'énergie.
Exercice : Propagation d'une onde le long d'une corde
Une très longue corde élastique inextensible est disposée horizontalement sur le sol. Un opérateur crée une perturbation en imprimant une brève secousse verticale à l’extrémité S de la corde (figure 1).

1. Considérations générales
Préciser la direction de propagation de l’onde et la direction du mouvement du point M.
1.2. En déduire si l’onde est transversale ou longitudinale.
2. Étude chronophotographique
La propagation de l’onde le long de la corde est étudiée par chronophotographie (figure 2). L’intervalle de temps séparant deux photos consécutives est Δt = 0,25 s.

2.1. Définir puis calculer la célérité de l’onde.
2.2. Pendant quelle durée un point de la corde est-il en mouvement ?
3. Évolution temporelle du déplacement vertical de plusieurs points de la corde
L’évolution au cours du temps des altitudes zA et zB de deux points A et B de la corde est l’objet de la figure 3. L’instant de date t0 = 0 s correspond au début du mouvement de S. Toutes les réponses doivent être justifiées.

3.1. Lequel de ces deux points est touché le premier par la perturbation ?
3.2. Lequel de ces deux points est situé le plus près du point source S de la corde ?
3.3. Quel retard le point touché en second présente-t-il dans son mouvement par rapport au point touché en premier ?
3.4. Quelle est la valeur de la distance séparant les points A et B ?
3.5. Un troisième point C commence son mouvement à l’instant de date tC = 0,50 s. Préciser sa position par rapport à A.
Représenter sur un schéma la position des points A, B et C (échelle 2 cm pour 1 m) par rapport au point source S.
4. Influence de quelques paramètres sur la célérité de l’onde
Les courbes ci-dessous (figures 4, 5 et 6) donnent l’évolution au cours du temps du déplacement vertical d’un point K d’une corde situé à la distance fixe d = SK du point source S ; l’instant de date t0 = 0 s correspond au début du mouvement de S ; les conditions expérimentales sont précisées pour chaque expérience.
Toutes les réponses doivent être justifiées en utilisant les représentations graphiques.
On étudie successivement l'influence de :
- La forme de la perturbation ;
- La tension de la corde ;
- La nature de la corde.
4.1. Influence de la forme de la perturbation.
La même corde est utilisée : sa tension est la même dans les deux expériences.
La forme de la perturbation modifie-t-elle la célérité ?

4.2. Influence de la tension de la corde
La même corde est utilisée ; lors de l’expérience 2-a, sa tension est plus faible que lors de l’expérience 2-b.
La tension de la corde modifie-t-elle la célérité et si oui, dans quel sens ?

4.3. Influence de la nature de la corde
La tension est la même dans les deux expériences ; la masse linéique de la corde utilisée pour l’expérience 3-a est plus faible que celle de la corde utilisée pour l’expérience 3-b.
La masse linéique de la corde modifie-t-elle la célérité et si oui, dans quel sens ?

Exercice : Les oscillateurs mécaniques

Partie A : pendule simple
On étudie un pendule simple constitué d’une masse ponctuelle m, attachée à l’une des extrémités d’un fil inextensible, de masse négligeable et de longueur L.
Ce pendule est placé dans le champ de pesanteur dans le référentiel terrestre considéré comme galiléen.
L’autre extrémité du fil est attachée en un point fixe A. Écarté de sa position d’équilibre G0, le pendule oscille
sans frottements avec une amplitude βm. Gi est la position initiale à partir de laquelle le pendule est abandonné sans vitesse.
Une position quelconque G est repérée par β, élongation angulaire mesurée à partir de la position d’équilibre.
1. Étude énergétique
1.1 Donner l’expression de l’énergie cinétique en G.
1.2 On prendra l’origine des énergies potentielles en G0, origine de l’axe des z. On montre que, dans ce cas, l’énergie potentielle en G peut se mettre sous la forme :
EP = mgL(1 – cosβ ) .
Donner l’expression de l’énergie mécanique en fonction de m, g, L, v et b. Pourquoi l’énergie mécanique se conserve-t-elle ?
1.3 Exploitation
Exprimer la vitesse au passage par la position d’équilibre en fonction de g, L et βm. Calculer sa valeur.
Données : g = 10 m.s–2 ; L = 1,0 m ; cosβm = 0,95.
2. Isochronisme
2.1 Énoncer la loi d’isochronisme des petites oscillations.
2.2 Choisir l’expression correcte de la période parmi les suivantes, en justifiant par une analyse dimensionnelle :

Partie B : oscillateur élastique
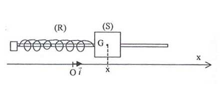
Un solide (S) de masse m, de centre d’inertie G, peut glisser sans frottements sur une tige horizontale. Il est accroché à un ressort (R) à spires non jointives, de raideur k = 4,0 N.m-1. L’ensemble constitue un oscillateur élastique horizontal, non amorti.
La masse du ressort est négligeable devant m et (S) entoure la tige de telle sorte que G se trouve sur l’axe de celle-ci (voir schéma page suivante).
On étudie le mouvement de translation du solide (S) dans le référentiel terrestre supposé galiléen.
Lorsque le solide (S) est à l’équilibre, son centre d’inertie G se situe à la verticale du point O, origine de l’axe des abscisses. Le solide est écarté de 10 cm de sa position d’équilibre et abandonné sans vitesse initiale à la date t = 0 s.
Dispositif expérimental :

On procède à l’enregistrement des positions successives de G au cours du temps par un dispositif approprié. On obtient la courbe ci-dessous :

1. Étude dynamique
1.1. Reproduire sur la copie le schéma du dispositif expérimental ci-dessus. Représenter et nommer les forces en G, sans souci d’échelle, s’exerçant sur le solide (S).
1.2. En appliquant la deuxième loi de Newton au solide (S), établir l’équation différentielle (relation entre x et ses dérivées par rapport au temps) régissant le mouvement de son centre d’inertie G.
1.3. Une solution de l’équation différentielle peut s’écrire sous la forme :
\[x (t) = X _ {m} \cos ( \frac {2 \cdot \pi \cdot t} {T _ {0}} + \phi )\]
Retrouver l’expression de la période T0 en fonction de m et de k.
2. Étude énergétique
L’énergie potentielle de pesanteur est choisie nulle dans le plan horizontal passant par G.
2.1. Donner l’expression littérale de l’énergie mécanique du système {ressort + solide}, en fonction de k, m, x et sa dérivée première.
2.2. À partir de l’enregistrement ci-dessus, trouver pour quelles dates l’énergie potentielle élastique du système {ressort + solide} est maximale. Que vaut alors l’énergie cinétique ?
2.3. Calculer la valeur de l’énergie mécanique du système.
Partie C : comparaison des périodes
Les comportements des deux pendules précédents sont maintenant envisagés sur la Lune.
Parmi les hypothèses ci-dessous, choisir pour chaque pendule celle qui est correcte. Justifier.
- Hypothèse 1 : T0 ne varie pas ;
- Hypothèse 2 : T0 augmente ;
- Hypothèse 3 : T0 diminue.
Exercice : Le marégraphe numérique
Depuis 1992, le Service Hydrographique et Océanographique de la Marine (SHOM) a décidé de placer sur les côtes françaises un réseau de marégraphes numériques permanents, appelés MCN (marégraphes côtiers numériques). Ces dispositifs sont destinés à observer les hauteurs des marées.
Le MCN est équipé d’un télémètre. Certains télémètres en service sont constitués d’un émetteur et d’un récepteur d’ultrasons : placés au-dessus de l’eau, ils émettent des salves courtes d’ultrasons et détectent le signal réfléchi par la surface de l’eau. Le temps écoulé entre l’émission et la réception du signal peut être traduit en hauteur d’eau : on utilise ainsi le MCN pour mesurer la hauteur de la marée.
Le schéma de l’observatoire de Brest-Penfeld illustre ce principe :

1. Principe de fonctionnement du MCN
1.1. Les ondes ultrasonores sont des ondes mécaniques longitudinales.
1.1.1 Définir une onde mécanique.
1.1.2 Que signifie l’expression « onde longitudinale » ?
1.2. Exprimer la durée Δt écoulée entre l’émission et la réception d’une salve d’ultrasons, en fonction de L et v, où v désigne la célérité du son dans l’air.
1.3. La hauteur H de la marée est repérée par rapport à une référence appelée «zéro hydrographique».
Établir l’expression de H en fonction de D, v et Δt.
1.4. Le télémètre est placé à 10 m au-dessus du zéro hydrographique. On donne un extrait des hauteurs de marées mesurées le dimanche 31 juillet 2005 à Fort-Mahon :
| Date | Heure | Hauteur |
|---|---|---|
| Dimanche 31/07/2005 | 03h19 | 3,07 m |
| 09h00 | 7,50 m | |
| 15h52 | 3,20 m | |
| 21h32 | 7,63 m |
Calculer la durée Δt1 qui a permis de calculer la hauteur d’eau à marée basse à 15h52.
On supposera qu’au moment de cette mesure, la célérité du son dans l’air vaut 340 m.s-1 et la température de l’air est θ1 = 14 °C.
1.5. Le même jour au Cap Ferret, avec une installation identique à celle de Fort-Mahon, une durée Δt2 supérieure à Δt1 a conduit à la même valeur de hauteur d’eau H que précédemment.
1.5.1 Dans l’expression établie à la question 1.3., quelle est la grandeur physique responsable de la différence de la durée Dt de propagation des salves d’ultrasons entre Le Cap Ferret et Fort-Mahon ? Justifier la réponse.
1.5.2 Cette grandeur a-t-elle augmenté ou diminué ?
1.5.3 Justifier la présence d’un capteur de température dans le marégraphe.
2. Une maquette du MCN
Etienne, élève de terminale S, décide de mettre en œuvre, avec le matériel du lycée (une grande éprouvette, un émetteur et un récepteur d’ultrasons et un dispositif d’acquisition), le principe du marégraphe à ultrasons.
Il réalise le dispositif schématisé ci-contre, où l’alimentation nécessaire au fonctionnement de l’émetteur n’est pas représentée.

Etienne a réglé l’émetteur sur le mode « émission de salves ». L’enregistrement obtenu apparaît sur le document ci-dessous : les tensions Uem et Ure correspondent aux tensions acquises respectivement aux bornes de l’émetteur et du récepteur. Pour faciliter la lecture, on a placé les 2 graphes l’un sous l’autre.

Calculer la hauteur d’eau qu’Etienne a placée dans l’éprouvette.
Données :
- D = 43 cm ;
- Son dans l’air à la température de l’expérience v = 340 m.s-1.
Exercice : L'oscillateur harmonique
Un oscillateur harmonique à une dimension est un modèle d’oscillateur qui intervient dans de nombreux domaines de la physique : mécanique et électricité notamment.
Son évolution temporelle est régie par l’équation différentielle suivante : \[\frac { \text {d} ^{2} Y } { \text {dt} ^{2} } + A \cdot Y = 0\]
Y est une grandeur physique qui varie au cours du temps, comme par exemple, la position x d’un mobile ou la charge électrique q d’un condensateur.
A est une constante positive reliée à la période propre T0 de l’oscillateur par :
\[A = \frac { 4 \pi ^ {2} } { T _ { 0 } ^ { 2 } }\]
T0 est indépendante de l’amplitude de la grandeur Y.
1. Le pendule simple
Un pendule simple a une longueur l égale à 100 cm. La période mesurée T est donnée dans le tableau du document 1 de l’annexe à rendre avec la copie.
Donnée : Intensité de la pesanteur : g = 9,81 N.kg-1.
1.1. La période propre T0 du pendule simple a pour expression : \[T _ { 0 } = 2 \pi \sqrt { \frac {I} {g} }\]
Calculer sa valeur.
1.2. Pourquoi peut-on, d’après le tableau du document 1 ci-dessus, parler d’isochronisme des petites oscillations ? Justifier la réponse.
2. Le pendule élastique
Un solide S est relié à un ressort dont l’autre extrémité est fixe. Le solide de masse
m égale à 205 g et de centre d’inertie G peut glisser sur un rail à coussin d’air
horizontal. Le ressort, à spires non jointives, a une masse négligeable et une
constante de raideur k égale à 10,0 N.m-1. Au repos, G est en O.
Le document 2 de l’annexe à rendre avec la copie schématise le dispositif expérimental.
À un instant t, la position du solide est repérée par l’abscisse x(t) sur l’axe (O, i) : x(t) représente donc également l’allongement du ressort. Un dispositif d’acquisition a permis d’obtenir l’enregistrement du document 3 de l’annexe à rendre avec la copie.
2.1. Équation différentielle.
2.1.1. Comment qualifier, d’après le document 3, les oscillations obtenues ?
2.1.2. Faire le bilan des forces s’exerçant sur S. Les représenter sans souci d’échelle sur le document 2 en annexe à rendre avec la copie.
2.1.3. Montrer que, dans ces conditions, l’équation différentielle du mouvement s’écrit :
\[\frac { \text {d} ^ {2} x }{ \text {dt} ^ {2} } + \frac {k} {m} \cdot x = 0\]
2.2. Le pendule est assimilable à un oscillateur harmonique puisque l’équation ci-dessus est analogue à l’équation générale donnée en début d’exercice.
2.2.1. Déterminer l’expression de la période propre T0 en fonction de k et de m.
2.2.2. Calculer la valeur de T0.
2.2.3. Déterminer la valeur expérimentale T0,exp en explicitant le raisonnement.
Comparer avec la valeur calculée en 2.2.2.
2.3. On réalise différents lâchers sans vitesse initiale en faisant varier l’amplitude.
2.3.1. Calculer l’énergie mécanique lorsque Xm = 1,00 cm.
2.3.2. Combien de valeurs de l’énergie mécanique sont possibles entre Xm= 0 et Xm = 1,00 cm : aucune ou un infinité ? Justifier.
3. Le pendule élastique en mécanique quantique
On considère une molécule diatomique AB vibrant autour de son centre de masse G
(mA et mB sont les masses respectives des atomes A et B).

On assimile cette molécule à un système de masse µ oscillant par rapport au point G fixe.

Données :
Constante de Planck : h = 6,63 x 10 –34 J.s ;
Célérité de la lumière dans le vide : c = 3,00 x 108 m.s-1.
3.1. La mécanique quantique montre que l’énergie de vibration Evib de la molécule est quantifiée. Qu’entend-on par énergie quantifiée ?
3.2.1. Vérifier que la fréquence de l’oscillateur vaut environ 5,13 x1013 Hz puis calculer les énergies manquantes.
3.2.2. Représenter le diagramme en énergie de la molécule en indiquant chaque niveau par segment horizontal. Que peut-on dire de l’écart entre deux niveaux successifs ?
3.2.3. La transition du niveau caractérisé par n = 0 au niveau caractérisé par n = 1 correspond à l’absorption d’une radiation. Calculer la longueur d’onde correspondante dans le vide. Cette radiation est-elle visible ?
Justifier.
Annexes
Document 1 :
| Amplitude (°) | T (s) |
|---|---|
| 0,00 | |
| 5,00 | 2,01 |
| 10,00 | 2,01 |
| 15,00 | 2,01 |
| 20,00 | 2,02 |
| 25,00 | 2,03 |
| 30,00 | 2,05 |
| 35,00 | 2,05 |


Résumer avec l'IA :



















Si vous désirez une aide personnalisée, contactez dès maintenant l’un de nos professeurs !