Chapitres
- 01. Invention
- 02. Présentation
- 03. Utilisations
- 04. Inconvénients
- 05. Exercice
Invention
Le câble coaxial a été inventé dans la théorie par Oliver Heaviside qui déposa le brevet dans les années 1880.
Oliver Heaviside
Oliver Heaviside est un physicien anglais ayant vécu entre 1850 et 1925. Il s'est rendu célèbre pour avoir repris et simplifié les équations de Maxwell grâce aux calculs de vecteurs. Le travail de Heaviside fut repris dans en 1930 par un ingénieur américain, Herman Andrew Affel. C'est lors de son travail dans les Laboratoires Bell qu'il réussit à mettre au point le câble coaxial dont le brevet sera déposé en 1931 avant sa publication dans le journal AIEE's Electrical Engineering.
Présentation

On dit qu'une transmission ou une liaison est asymétrique quand elle n'utilise qu'un seul conducteur afin de transmettre les données. Ce type de liaison est donc plus en proie aux interférences et risque donc d'être perturbé par des événements extérieurs tels que des ondes radio par exemple.
Il se constitue d'un câble à deux conducteurs à un ou plusieurs bruns qui est protégé par un isolant diélectrique.
Un matériau diélectrique est un matériau qui ne contient pas de charges électriques qui peuvent se déplacer. Il fait donc office d'isolant électrique. Ces matériaux sont utilisés en isolement de nombreux câbles qui servent à faire passer des données, notamment dans la télévision.
Le tout est inséré dans une gaine en plastique afin de protéger son contenu et de l'isoler. Ce câble a la particularité de ne capter aucun flux net provenant de l'extérieur ni d'en émettre ce qui en fait un matériel de choix pour la transmission de données analogiques ou numériques en haute fréquence. Pour cela, il s'inspire du fonctionnement de la cage de Faraday grâce à un entourage du diélectrique par un enrobage en cuivre.
La cage de Faraday est une cage, une enceinte, qui protège des champs électriques extérieurs. Ce concept a été inventé par Michael Farady lors de ses recherches sur les conducteur. Le plus souvent, il s'agit d'une cage en aluminium. Il existe de nombreuses cages de Faraday dans notre quotidien. La voiture notamment, est une cage de Farady qui protégera des orages par exemple. La plupart des appareils électroménagers comme les machines à laver, les sèche-linge ou les réfrigérateurs encore agissent comme une cage de Faraday grâce à leur grosse enveloppe externe en métal.
Le câble coaxial peut se différencier par plusieurs caractéristiques.
- Le métal utilisé et ses dimensions ;
- La composition du diélectrique ;
- Les diamètres de la gaine intérieure et extérieure du conducteur central.
D'autres caractéristiques interviennent également en fonction de l'utilisation du câble. Par exemple, si le câble est utilisé pour la télévision, que ce soit par satellite ou TNT, l’impédance est de 75 ohms.
L'impédance caractéristique d'une ligne électrique est la perméabilité du milieu.

Utilisations
Le câble coaxial est utilisé dans de nombreux cas. Son utilisation principale reste néanmoins la connexion à la télévision.
Connexion à l'antenne de télévision
L'utilisation la plus courante des câbles coaxiaux est celle pour connecter les téléviseurs aux antennes TNT ou encore satellites. C'est en effet un câble coaxial qui fait la liaison entre votre prise murale et votre poste de télévision.
Réseaux câblés multimédias
Si vous résidez dans une groupement de logements, un appartement ou encore une résidence, il est fort probable que la télévision par câble ou encore l'accès à internet soit dispensé par un câble coaxial jusqu'aux prises dans votre mur.
Equipements sonores
Le câble coaxial est le branchement de référence pour connecter les micros, les sonos, les hauts-parleurs ou encore les platines dans les studios ou lors des soirées. Sa fiabilité et sa résistance aux interférences en fait un matériel de choix pour faire passer du son sans qu'il soit perturbé.
Une carte réseau et son émetteur
Dans les systèmes informatiques et numériques, les cartes réseaux sont souvent connectées à leurs antennes par le biais de petit câbles coaxiaux. Ils sont différents de ceux qui se vendent dans le commerce et destinés à la télévision.
Liaisons téléphoniques
Afin de relier des points très éloignés des uns des autres en liaisons téléphoniques, le câble coaxial est utilisé pour créer des réseaux internet ou téléphoniques extra-urbains. Sa capacité à conduire l'information sur de longues distances lui permet d'effectuer cette mission sans encombre.
Liaisons sous-marines
Afin de faire transiter des données entre plusieurs continents, le câble coaxial est fréquemment utilisé. Sa forte résistance à la perte d'informations et sa faible sensibilité aux interférences à fait de lui la connexion idéale en termes de liaisons sous-marine pour transporter des données tels qu'internet.
Transmission de vidéo
Pour relier différents système de vidéos, le câble coaxial est également utilisé. Par exemple, si votre voiture est équipée d'une caméra de recul, c'est un câble coaxial qui assure la liaison entre la caméra et l'écran. De même, si vous souhaitez partager vos photos sur votre télévision, cela sera aussi possible grâce à un câble coaxial.
Antenne radio
Afin de connecter l'autoradio de votre voiture à son antenne afin de capter les ondes radio, c'est également un câble coaxial. En effet, pour éviter que le signal radio soit perturbé, il faut un câble qui ne souffre pas des interférences des ondes extérieurs, notamment celles des téléphones, GPS, etc. 
Inconvénients
Le câble coaxial est soumis à différentes pertes. Par exemple, lorsque que des courants à haute fréquence passent en son sein, ils passent dans une pellicule proche de la surface des matériaux conducteurs. Or quand la fréquence augmente, le signal est soumis au phénomène d'effet de peau. On considère que la résistance du câble conducteur augmente autant que la racine carré de la fréquence.
L'effet de peau ou effet pelliculaire est le phénomène d'origine électromagnétique selon lequel quand un courant a une fréquence élevée, il se contente de circuler en surface des matériaux conducteurs.
Ce phénomène conduit à une perte de la qualité du signal. De plus, si le diamètre du matériau conducteur est faible sa résistance augmente, ce qui aura aussi une incidence sur les pertes de signal. On peut donc résumer les sources de pertes à :
- Un niveau trop élevé de la fréquence ;
- Un câble trop long ;
- Un câble avec un diamètre trop petit ou trop de résistance.
Voici un tableau recensant les dix principales références de câbles coaxiaux sur le marché et quelques une de leurs caractéristiques :
| Modèle | Impédance en ohm |
|---|---|
| RG-22B/U | 95 |
| RG-67B/U | 93 |
| RG-7/U | 95 |
| RG-84A/U | 75 |
| RG-225/U | 50 |
| CX2/6 | 50 |
| CX4/12 | 50 |
| RG-5/U | 52,5 |
| RG-5B/U | 50 |
| RG-6A/U | 75 |
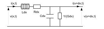
Exercice

Question 1
Déterminer l’équation vérifiée par v(x,t).
Question 2
Déterminer la vitesse de phase et la vitesse de groupe pour des pertes faibles (R << Lω et G << Cω).
Question 3
Déterminer l’impédance caractéristique Z du câble. A quelle condition cette impédance est-elle réelle ?
Résumer avec l'IA :



















Si vous désirez une aide personnalisée, contactez dès maintenant l’un de nos professeurs !