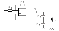
|  | - Déterminer la condition d’oscillation et la période des oscillations de cet oscillateur | 
Les chiffres significatifs
Définition des chiffres significatifs et applications Lorsqu’on écrit une mesure comme L = 1,5 cm ou L = 1,50 cm, la précision change.La première indique une mesure au millimètre près, la seconde au dixième de millimètre.Ainsi, chaque chiffre a un sens : les chiffres significatifs renseignent à la fois sur la valeur mesurée et sur la[…]
17 octobre 2025 ∙ 8 minutes de lecture

 Loading...
Loading...









Si vous désirez une aide personnalisée, contactez dès maintenant l’un de nos professeurs !